د لوړ سرعت هیدرولیک سلیونګ ډرایوونهIWYHG د غوښتنلیکونو په پراخه لړۍ کې د سلیونګ پلیټ فارم ډرایو لپاره پلي کیږي، په شمول دساختماني موټرونه،د کرولر کیندنې ماشینونه،هوايي پلیټ فارمونه، اوتعقیب شوي موټرونه.
میخانیکي ترتیب:
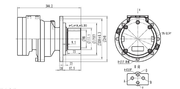
د IWYHG2.52.5A سلیونګ عبارت دي لههیدرولیک موټور, څو مرحلې سیارې ګیربکس, بریکاو د بریک فعالیت سره والو بلاک. دا لړۍ سلیوینګ کولی شي د هیدرولیک او بهرني بار اغیز برداشت کړي. د آوټ پټ ګیر شافټ کولی شي په مستقیم ډول د سلیوینګ پلیټ فارم کې د حلقوي ګیر چل کړي. ستاسو د وسیلې لپاره دودیز بدلونونه په هر وخت کې شتون لري.
د IWYHG2.5.25A اصلي پیرامیټونهد هیدرولیک سلیونګ وسیله:
| د محصول تورک (Nm) | سرعت (rpm) | تناسب | درجه بندي شوی فشار (Mpa) | بې ځایه کېدل (ملی لیتر/ر) | د موټرو بې ځایه کیدل (ملی لیتر/ر) | وزن (کیلوګرامه) | د کیندنې ډول (ټن) |
| ۱۴۰۰ | ۴۸-۹۱ | ۳۰.۳۳ | ۲۱.۵ | ۵۶۴ | ۱۸.۶ | 50 | 5 |

