هیدرولیکموټورد INM لړۍ یو ډول دیریډیل پسټون موټور. دا په پراخه کچه په مختلف ډول غوښتنلیکونو کې پلي شوی ، پشمول د محدودیت نهد پلاستيکي انجیکشن ماشین, د کښتۍ او ډیک ماشین, ساختماني وسایل, پورته کول او ټرانسپورټ موټر, دروند فلزاتو ماشین, پټرولیماو د کان کیندنې ماشین. ډیری ګنډل شوي وینچونه، هیدرولیک لیږد او سلینګ وسایل چې موږ ډیزاین او تولید کوو د دې ډول په کارولو سره جوړ شويموټورs.
میخانیکي ترتیب:
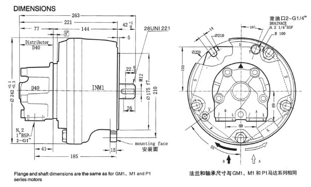
توزیع کونکی، د محصول شافټ (په شمول د انولوټ سپلاین شافټ، د غوړ کیلي شافټ، د ټیپر فټ کیلي شافټ، داخلي سپلاین شافټ، د داخلي سپلاین شافټ په شمول)، ټیکومیټر.
د INM1 لړۍ هیدرولیک موټرو تخنیکي پیرامیټونه:
| ټایپ | (ml/r) | (MPa) | (MPa) | (N·m) | (N·m/MPa) | (r/min) | (کیلوګرامه) | |
| تیوریک بې ځایه کول | درجه بندي فشار | PEAK فشار | درجه بندي TORQUE | ځانګړی TORQUE | CONT سرعت | Max.SPEED | وزن | |
| INM1-100 | 99 | 25 | 42.5 | ۳۸۵ | 15.4 | 1~550 | ۱۰۰۰ | 31 |
| INM1-150 | ۱۵۴ | 25 | 40 | ۶۰۰ | 24 | 1~550 | ۱۰۰۰ | |
| INM1-175 | ۱۷۲ | 25 | 37.5 | ۶۷۰ | 26.8 | 1~550 | ۹۰۰ | |
| INM1-200 | ۲۰۱ | 25 | 35 | ۷۸۵ | 31.4 | 1~550 | ۸۰۰ | |
| INM1-250 | ۲۴۳ | 25 | 35 | ۹۵۰ | 38 | ۱~۴۵۰ | ۷۰۰ | |
| INM1-300 | ۲۹۰ | 25 | 30 | ۱۱۳۰ | 45.2 | 1~350 | ۶۵۰ | |
| INM1-320 | ۳۱۴ | 25 | 28 | ۱۲۲۵ | 49 | 1~350 | ۶۰۰ | |
موږ ستاسو د حوالې لپاره د INM لړۍ موټرو بشپړ غضب لرو ، له INM05 څخه تر INM7 پورې. نور معلومات د ډاونلوډ پاڼې څخه د پمپ او موټرو ډیټا شیټونو کې لیدل کیدی شي.


