دا هیدرولیک وینچ د هغو غوښتنلیکونو لپاره وړ دی چې د رسۍ لوی ذخیره کولو ظرفیت او دوامداره لاین کشولو محصول ته اړتیا لري. دا د واحد سرعت یا دوه سرعت هیدرولیک موټرو سره نصب کیدی شي. زموږ د خپلو لوړ سرعت هیدرولیک موټرو او ملګرتیا سره یوځای کولپلۍ، وینچ لوړ کاري موثریت، ټیټ انرژي مصرف، لوړ اعتبار، ټیټ شور، کمپیکټ او ښکلی ډیزاین، او لوړ لګښت موثریت لري. IMYJ هیدرولیک رګ وینچونه په پراخه کچه په کې کارول کیږيد پایپ ایښودل, د سمندر تجهیزات, د برېښنا بیا رغونهاود موټرو ترانسپورتساحې.
میخانیکي ترتیب:هر وینچ سیټ د ذخیره کولو وینچ او ډبل ډرم وینچ څخه جوړ دی. دا د سره یوځای کارول کیدی شيپلۍاو د رسۍ لارښود چې د مختلفو کاري شرایطو سره سم وي. موږ کولی شو د میټینګ هیدرولیک هم چمتو کړود بریښنا پیککوم چې زموږ د پیټ شوي محصول هم دی. د پاور پیک د لږترلږه انرژۍ مصرف سره اعظمي موثریت وړاندې کولو توان لري. ستاسو د غوره ګټو لپاره دودیز بدلونونه په هر وخت کې شتون لري.
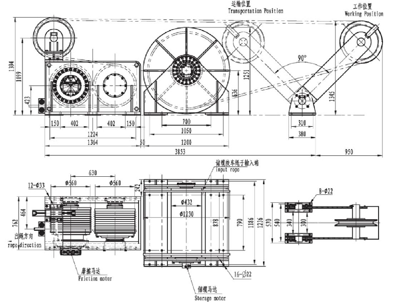
د IMYJ 466-300 فریکشن وینچ اصلي پیرامیټرې:
| د ذخیره کولو ډرم وینچ | اعظمي. ډرم کش کړئ (T) | ۰.۵-۰.۱ | دوه ګونی ډرم وینچ | لومړۍ طبقه (T) کش کړئ | 30 |
| د رسۍ قطر (ملي متره) | 22 | په لومړۍ طبقه کې سرعت (متر/دقیقه) | ۰-۱۵ | ||
| د رسۍ طبقو شمېر | 15 | د سیسټم درجه بندي فشار (MPa) | 26 | ||
| د ډرم وړتیا (m) | ۹۰۰ | د کاري فشار توپیر (MPa) | 24 | ||
| د ذخیره کولو وینچ موټرو ډول | IM52 د محصول ځانګړتیاوې | د محصول تورک (Nm) | ۹۵۰۰۰ | ||
| د ډرم بې ځایه کیدل (ملی لیتر/بیا کتنه) | ۲۳۵۶ | د ډرم بې ځایه کیدل (ملی لیتر/ر) | ۲۹۸۴۱ | ||
| د سیسټم درجه بندي فشار (MPa) | 20 | د رسۍ قطر (ملي متره) | 27 | ||
| د کاري فشار توپیر (MPa) | 18 | د هیدرولیک موټرو ډول | د INM172 معرفي کول | ||
| د محصول تورک (Nm) | ۷۰۰۰ | د ګیربکس راشن | ۱۲۸.۶ |




