ធារាសាស្ត្រម៉ូទ័រស៊េរី INM គឺជាប្រភេទមួយ។ម៉ូទ័រ piston រ៉ាឌីកាល់. វាត្រូវបានអនុវត្តយ៉ាងទូលំទូលាយនៅក្នុងប្រភេទផ្សេងៗនៃកម្មវិធី រួមទាំងការមិនកំណត់ម៉ាស៊ីនចាក់ប្លាស្ទិក, គ្រឿងចក្រ និងនាវា, ឧបករណ៍សំណង់, យានជំនិះ និងដឹកជញ្ជូន, គ្រឿងម៉ាស៊ីនលោហធាតុធ្ងន់, ប្រេងនិងគ្រឿងចក្រជីករ៉ែ។ ភាគច្រើននៃ winches កាត់ដេរ ឧបករណ៍បញ្ជូនធារាសាស្ត្រ និងឧបករណ៍ slewing ដែលយើងរចនា និងផលិតត្រូវបានបង្កើតឡើងដោយប្រើប្រាស់ម៉ូទ័រប្រភេទនេះ។
ការកំណត់រចនាសម្ព័ន្ធមេកានិច៖
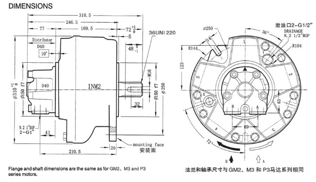
អ្នកចែកចាយ, អ័ក្សទិន្នផល (រួមទាំងផ្នែកខាងក្នុងដែលរួមបញ្ចូល, ផ្លិតគ្រាប់ចុចខ្លាញ់, ផ្លិតគ្រាប់ចុចខ្លាញ់ស្តើង, អ័ក្សផ្លេនខាងក្នុង, បញ្ចូលអ័ក្សឆ្អឹងខ្នងខាងក្នុង), tachometer ។
ប៉ារ៉ាម៉ែត្របច្ចេកទេសរបស់ម៉ូទ័រធារាសាស្ត្រស៊េរី INM2៖
| ប្រភេទ | (ml/r) | (MPa) | (MPa) | (N·m) | (N·m/Mpa) | (r/នាទី) | (គីឡូក្រាម) | ||
| ទ្រឹស្ដី ការផ្លាស់ទីលំនៅ | បានវាយតម្លៃ សម្ពាធ | កំពូល សម្ពាធ | បានវាយតម្លៃ TORQUE | ជាក់លាក់ TORQUE | CON ល្បឿន | ល្បឿនអតិបរមា | ទម្ងន់ | ||
| INM2-200 | ១៩២ | 25 | ៤២.៥ | ៧៥០ | 30 | 0.7 ~ 550 | ៨០០ | 51 | |
| INM2-250 | ២៥១ | 25 | ៤២.៥ | ៩៨០ | ៣៩.២ | 0.7 ~ 550 | ៨០០ | ||
| INM2-300 | ៣០៤ | 25 | 40 | ១១៨៨ | ៤៧.៥ | 0.7-500 | ៧៥០ | ||
| INM2-350 | ៣៤៧ | 25 | ៣៧.៥ | ១៣៥៥ | ៥៤.២ | 0.7-500 | ៧៥០ | ||
| INM2-420 | ៤២៥ | 25 | 35 | ១៦៥៨ | ៦៦.៣ | 0.7 ~ 450 | ៧៥០ | ||
| INM2-500 | ៤៩៣ | 25 | 35 | ១៩២៣ | ៧៦.៩ | 0.7 ~ 450 | ៧០០ | ||
| INM2-600 | ៥៦៥ | 25 | 30 | ២២០៨ | ៨៨.៣ | 0.7 ~ 450 | ៧០០ | ||
| INM2-630 | ៦២៣ | 25 | 28 | ២៤៣៣ | ៩៧.៣ | 0.7-400 | ៦៥០ | ||


