Planetengetriebe – Serie IGC-T220

Produktbeschreibung:

Planetengetriebe IGC-T220zeichnet sich durch einen hohen Gesamtwirkungsgrad, kompaktes und modulares Design, hohe Zuverlässigkeit und Langlebigkeit aus. Fortschrittliche Konstruktionserfahrung und moderne Fertigungsverfahren gewährleisten hervorragende Tragfähigkeit und Betriebssicherheit. Das Getriebe entspricht dem Rexroth-Standardtyp. Wir haben eine Auswahl verschiedener Getriebe zusammengestellt, die wir für unterschiedliche Anwendungen produziert haben. Speichern Sie die Datenblätter gerne für Ihre Referenz.


  • Zahlungsbedingungen:L/C, D/A, D/P, T/T
  • Produktdetail

    Produkt Tags

    Planetengetriebe– Die hydrostatischen Antriebsserien IGC-T220 werden häufig eingesetzt inRaupendrehbohrgeräte,Rad- und Raupenkrane,Raupen- und Messerkopfantriebe der Fräsmaschine,Straßenteiler,Straßenwalzen,Kettenfahrzeuge,Hubarbeitsbühnen,selbstfahrende BohrgeräteUndSchiffskräne. Die Laufwerke werden nicht nur von chinesischen Kunden wieSANY,XCMG,ZOOMLION, sondern wurden auch nach Südostasien, in den Nahen Osten, nach Indien, Südkorea, in die Niederlande, nach Deutschland und Russland usw. exportiert.

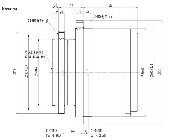
    Mechanische Konfiguration:

    IGC-T220hydrostatischer Antriebbesteht aus Planetengetriebe und Nass-Lamellenbremse. Kundenspezifische Anpassungen für Ihre Geräte sind jederzeit möglich.

    Planetengetriebe IGCT220 Konfiguration1

     

     

     

     

     

     

     

     

     

     

     

     

     

     

     

    IGC-T200-SeriePlanetengetriebe'sHauptparameter:

    Max. Leistung

    Drehmoment (Nm)

    Verhältnis

    Hydraulikmotor

    Max. Eingang

    Geschwindigkeit (U/min)

    Maximale Bremsleistung

    Drehmoment (Nm)

    Bremse

    Druck (Mpa)

    GEWICHT (Kg)

    220000

    97,7 · 145,4 · 188,9 ·

    246,1 · 293

    A2FE107

    A2FE125

    A2FE160

    A2FE180

    A6VE107

    A6VE160

    A6VM200

    A6VM355

    4000

    1100

    1,8~5

    850


  • Vorherige:
  • Nächste:

  • VERWANDTE PRODUKTE